Терморегулятор 40-90°C 2 контакта 250В 20A капилляр - 0.9м датчик - 130мм 81381632 Абат
Артикул:
81381632
Терморегулятор 40-90°C 2 контакта 250В 20A капилляр - 0.9м датчик - 130мм 81381632 Абат
Подробнее
Нет в наличии
Нашли дешевле?
Цена действительна только для интернет-магазина и может отличаться от цен в розничных магазинах
Описание
Терморегулятор Eika 40-90 (81381632) — однополюсный капиллярный термостат на термопластиковой основе рассчитанный на номинальный ток 20 А, номинальное напряжение 220 и 250 В, предназначен для управления температурным режимом и механическим поддержанием температурного режима в заданных границах. Применяется в печах для саун, печах для пиццы, электрических плитах и другом тепловом оборудовании.
Технические данные:
1. Напряжение — 220, 250 В.
2. Ток — 20 А.
3. Рабочий цикл — 100 000 циклов.
4. Рабочий температурный диапазон — 40-90 градусов.
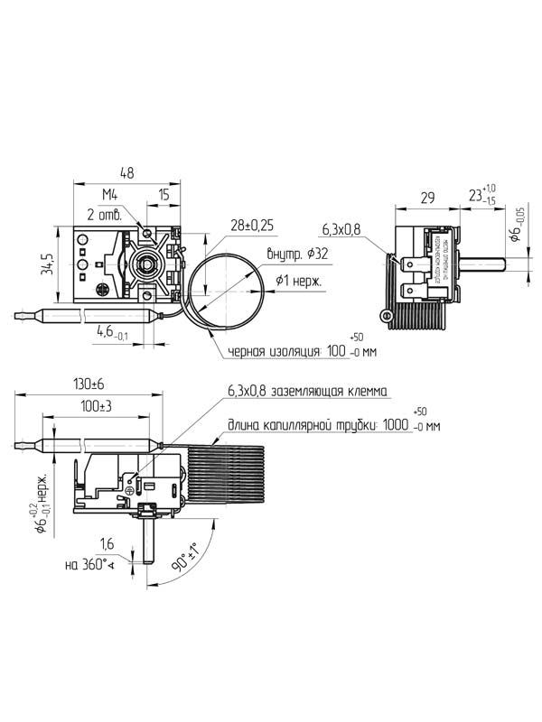
5. Максимальная длина капилляра — 1000 мм.
6. Материал капилляра и датчика — нержавеющая сталь (inox, Ø1).
7. Размеры датчика — inox, Ø6.
8. Точность установки — ± 5 градусов.
9. Максимальная рабочая температура окружающей среды, не более — 150 градусов.
10. Максимальная допустимая температура датчика — 110 градусов.
11. Защищенность — IP00.
12. Соединитель проводник тока (клеммы термостата) — A 6.3×0.8 ножевые, DIN 46244.
13. Защита от поражения электрическим током — класс I (с защитным заземлением).
14. Режим работы — однополюсной.
15. Габаритные размеры (см. чертеж ниже).
16. Масса, не более — 0,08 кг.
Товар на фото может несущественно отличаться, с полным сохранением функциональных характеристик
Технические данные:
1. Напряжение — 220, 250 В.
2. Ток — 20 А.
3. Рабочий цикл — 100 000 циклов.
4. Рабочий температурный диапазон — 40-90 градусов.
5. Максимальная длина капилляра — 1000 мм.
6. Материал капилляра и датчика — нержавеющая сталь (inox, Ø1).
7. Размеры датчика — inox, Ø6.
8. Точность установки — ± 5 градусов.
9. Максимальная рабочая температура окружающей среды, не более — 150 градусов.
10. Максимальная допустимая температура датчика — 110 градусов.
11. Защищенность — IP00.
12. Соединитель проводник тока (клеммы термостата) — A 6.3×0.8 ножевые, DIN 46244.
13. Защита от поражения электрическим током — класс I (с защитным заземлением).
14. Режим работы — однополюсной.
15. Габаритные размеры (см. чертеж ниже).
16. Масса, не более — 0,08 кг.
Товар на фото может несущественно отличаться, с полным сохранением функциональных характеристик
Характеристики
|
Реквизиты
|
Терморегулятор, Товар, 00-00018219 |
|
Базовая единица
|
шт |
|
В наличии
|
Нет |
|
Оригинал
|
Нет |
|
Производитель
|
Абат |
|
Диапазон регулируемых температур
|
40-90°C |
|
Длина капилляра, м
|
0.9 |
|
Напряжение
|
250 |
|
Ток, А
|
20 |
|
Длина датчика, мм
|
130 |
|
Количество контактов
|
2 контакта |
|
Длина штока, мм
|
24 |
Фотогалерея
Отзывы
Отзывы
Оставить отзыв
Загрузка отзывов...
Задать вопрос
Задать вопрос
Наличие


